氧化鋅避雷器、電涌保護器、監測器、計數器、固態去耦合器、火花間隙、電位傳送器、接線箱
企業會員
產品價格詢價
產品品牌陜西凌雷
最小起訂未填
供貨總量1000 套
瀏覽次數404
企業旺鋪http://a0001_-a.48903.com/
更新日期2021-09-06 21:28
品牌: |
陜西凌雷 |
所在地: |
陜西 西安市 |
起訂: |
未填 |
供貨總量: |
1000 套 |
有效期至: |
長期有效 |
系統額定電壓: |
24V |
最大持續工作電壓: |
28V |
保護水平: |
≤50V |
LCKE本體

一、產品型號LCKE24
系統額定電壓 Un | 24V |
最大持續工作電壓 Uc | 28V |
保護水平 Up | ≤50V |
標稱放電電流(8/20μs) In | 10kA |
最大放電電流(8/20μs) Imax | 20kA |
TVS數量 | 1 |
配合方式 | 二級管電橋 |
最高使用頻率 | 100Mbit/100MHz |
插入損耗 | 0.1dB |
二、規格與安裝
保護線數 | 2線 |
接口方式 | 接線端子 |
外殼材料 | 阻燃塑料 |
推薦連接線徑 | 0.5-2.5 |
安裝方式 | DIN35導軌安裝 |
安裝環境 | 無顯著震動和沖擊 |
防護等級 | Ip20 |
海拔 | ≤4000m |
相對濕度 | 30%~90% |
-LCKE系列產品型號
產品型號 LCKE-5 | |
Un | 5V |
Uc | 7V |
Up | ≤25V |
In | 10kA |
Imax | 20kA |
使用頻率 | 100Mbit/100MHz |
插入損耗 | 0.1dB |
產品型號 LCKE-12 | |
Un | 12V |
Uc | 15V |
Up | ≤75V |
In | 10kA |
Imax | 20kA |
使用頻率 | 100Mbit/100MHz |
插入損耗 | 0.1dB |
產品型號 LCKE-15 | |
Un | 15V |
Uc | 20V |
Up | ≤100V |
In | 10kA |
Imax | 20kA |
使用頻率 | 100Mbit/100MHz |
插入損耗 | 0.1dB |
產品型號 LCKE-36 | |
Un | 36V |
Uc | 48V |
Up | ≤200V |
In | 10kA |
Imax | 20kA |
使用頻率 | 100Mbit/100MHz |
插入損耗 | 0.1dB |
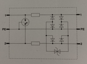
-LCKE電路圖

-外形尺寸

三、測控電涌保護器安全
LCKE是一款通用的一體化兩線雷電流和電涌保護器,DIN導軌安裝,可以滿足測量和控制電路、總線系統、報警系統和電信系統的最高要求。
LCKE的泄流元件為氣體放電管,限壓元件為電橋配合TVS管結構。
LCKF的泄流元件為氣體放電管,限壓元件為線間、線地TVS管,LCKF相對于LCKE具有更強大末端泄流和限壓能力。
SPD選型
選擇SPD時,以下方面必須特別考慮:
-系統參數
1、最大持續工作電壓應大于系統可存在的最大電壓值;
2、標準產品能承受的最大功率為3W,若系統傳輸功率大于3W時,訂貨時應特殊說明,采用無解耦產品;
3、標準產品針對模擬信號的最大使用頻率為100MHz,針對數字信號的最大使用頻率為100Mbit/s。
-安裝環境(設計、連接條件、環境條件)
1、一體化結構;
2、模塊可插拔結構;
3、超薄接線端子結構;
4、防爆并聯結構;
5、防爆串聯結構。
-相關的SPD產品標準
IEC 61643-21/GB 18802.21
低壓電涌保護器設備-Part21:連接到電信和信號網絡的電涌保護器設備-性能需求和測試方法。
-耐受能力
不同的電磁環境條件對設備的耐受能力有不同的要求,設備的耐受能力與提供的測試等級相關。為了區分設備不同的耐受能力,測試也相應的分為四個等級。測試等級包括終端設備耐受能力的最低要求。通常,測試等級可從設備制造商提供的產品說明書中得到。
測試等級EN 61000-4-5 | 相應的測試發生器的放電電壓 |
1 | 0.5kV |
2 | 1kV |
3 | 2kV |
4 | 4kV |
-SPD的防護效果
IT系統中的SPD能抑制導線中的干擾到每個安全值,確保不超過終端設備的耐受水平。為了保護終端設備,經過測試等級2的測試,電涌保護器的通流值必須低于EMC的測試值:沖擊電壓小于1kV,以及幾安培的脈沖電流。
還沒找到您需要的電工電氣產...產品?立即發布您的求購意向,讓電工電氣產...公司主動與您聯系!
立即發布求購意向本網頁所展示的有關 陜西凌雷電氣有限公司 為你提供的“陜西凌雷LCKE超薄模塊測控”電工電氣產...價格、型號、圖片、廠家等信息。如有需要請撥打電話:13192291791。
信息及其他相關推薦信息,均來源于其對應的企業,信息的真實性、準確性和合法性由該信息的來源企業完全負責。企資網對此不承擔任何保證責任。
在您的合法權益受到侵害時,歡迎您向weilaitui@qq.com郵箱發送郵件,或者進入《網站意見反饋》了解投訴處理流程,我們將竭誠為您服務,感謝您對企資網的關注與支持!